PDF Baffle Wall

본문 바로가기

PDF Baffle Wall

PDF Baffle Wall

What is a PDF Baffle Wall?
Manufactured using high-density polyethylene (HDPE) material, the PDF Panel is fixed to walls and columns, providing a cost-effective baffle wall installation method that shortens construction time.

Features and Benefits of the Baffle Wall

01
Longer contact time enhances the
disinfection capacity (CT) of water treatment plants (reservoirs).
02
Dead zones are eliminated,
improving disinfection efficiency.
03
Since PDF baffle walls are factory-produced and
assembled on-site, installation is fast.
04
On-site assembly involves repetitive tasks, making
process management easy and construction quality consistent.
05
Easy to maintain,
install, dismantle,
and recyclable.
06
Shorter construction
period makes it cost-effective.
07
HDPE is resistant to
chlorine, giving it a semi-permanent lifespan.
08
No additional
waterproofing work is required.

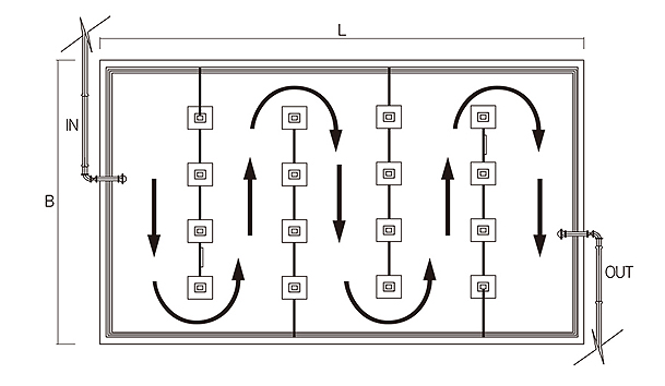
Conceptual Diagram of Baffle Wall Installation

Detailed Drawings of PDF Baffle Wall

What is a PDF Rectifier Wall?
A PDF Panel with rectifier openings is installed in sedimentation basins of wastewater treatment plants or water treatment facilities, improving sedimentation efficiency.

This construction method shortens the construction period and provides a cost-effective baffle wall installation.

Features and Benefits of the Rectifier Wall

01
Factory-manufactured products ensure
excellent quality and shorten the construction period.
02
No additional
waterproofing work
is required.
03
It does not corrode in water
or wastewater, and its quality remains unchanged.
04
Flexible arrangement
of rectifier openings is possible.
05
Easy
to repair and reinforce.
06
Made of recyclable
materials, making it eco-friendly.

Conceptual Diagram of Rectifier Wall Installation

What is a PDF Partition Wall?

Using PDF Panels, this method constructs prefabricated partition walls required in advanced
wastewater treatment facilities, effectively solving the bonding issues between new and old concrete.

Features and Benefits of the Partition Wall

01
Factory-manufactured products ensure
excellent quality and shorten the construction period.
02
No additional
waterproofing work
is required.
03
It does not corrode in sewage
or wastewater, and its quality remains unchanged.
04
Easy
to repair and reinforce.
05
Made of recyclable
materials, making it eco-friendly.

Conceptual Diagram of Partition Wall Installation

Contact Person