사업분야

본문 바로가기

사업분야

사업분야

상하수도

골든포우는 모든 국민이 안심하고 마실 수 있는 깨끗한 물을 공급합니다.

PE 시트 라이닝이란?
물탱크 내부 라이닝은 PE시트의 위생성, 경제성과 안정성 및
내구성의 장점을 이용하여 콘크리트 구조물 내부에 PE시트를 고정하는
방식으로 한번 시공으로 반영구적입니다.

미국 FDA 및 여러 선진국에서 식음료에 적합함을 인증받은
재질로 장기간 사용시에도 청결성이 유지되는 위생적 제품입니다.

PE SHEET LINING 특성

PE시트방수는 STS 고정구(표면에 폴리머 처리)와 고주파 융착기로 벽체에 부착하는 BOLTLESS 공법으로
방수층의 천공 없이 절연 방수층을 형성하고 방수층 상호 접착은 기계화 자동 융착으로 하는 방수 방식공법으로 신설은 물론 개보수 공사에 최적인 공법입니다.

01
고정 부재 공법

SHEET를 바탕면에 전면 접착시키지 않고, 수조 상단에 앙카로 고정시킨 후 SHEET 연결부는
열융착 시공하고 SHEET와 고정 부재를 고주파 유도 융착하여 벽면에 부착하는 공법으로서 바탕면 상태에 영향을 받지않고 방수층 들뜸 현상이 없이 벽면에 부착합니다.

02
방수·방식 성능 우수

수돗물에서 증발되는 염소 이온 가스 및 화학 물질에 의한 부식과 충격에 의한 균열(Crack) 발생으로 생길 수 있는 누수를 완벽하게 방지합니다.

03
BOLTLESS 공법

SHEET면을 손상시키지 않고 고주파 융착기를 사용하여 접착하므로 방수층 깨짐이 없습니다.

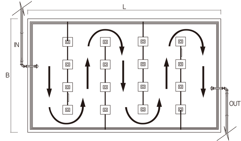
PDF 도류벽
고밀도 폴리에틸렌(HDPE)원료를 사용하여 제작된
PDF Panel을 벽체 및 기둥에 고정하여
시공기간을 단축하고 경제적인 도류벽 설치공법

도류벽 특징 및 효과

01
접촉시간이 길어져 정수장(배수지) 소독능(CT)을 향상
02
사수부가 제거되어 소독효과 상승
03
공장에서 직접 생산된 PDF도류벽을 현장 조립하므로 작업 속도가 빠릅니다.
04
현장 조립시 동일작업이 반복되므로 공정관리가 용이하고 시공품질이 균일
05
유지관리 및 설치 해체 용이하고 재활용 가능
06
공기가 단축되고 경제적임
07
HDPE는 염소에 강해 수명이 반영구적
08
별도 방수 작업이 불필요합니다.

도류벽 설치 개념도